炒股加杠杆怎么操作-杠杆基金会跌成负数吗-【东方资本】,杠杆和配资的区别,杠杆赚钱,杠杆炒股案例

今天是2025年12月2日 星期二,歡迎光臨本站 

膜盒式稱重測力傳感器

BCM-H3

文字:[大][中][小] 手機頁面二維碼 2021/12/3     瀏覽次數:    

BCM-H3型 平面膜盒式稱重傳感器


特點及用途:

法蘭安裝、低高度、全密封,長期穩定性好。


技術參數:

量程

5102050100200 kg

0.511.52 t

輸入阻抗

735 ± 35 Ω

靈敏度

15 ± 01 mv/V

輸出阻抗

700 ±Ω

綜合精度

01 %F·S

絕緣阻抗

2000 MΩ

蠕變

±005 %F·S/30min

激勵電壓

5 12 VDC

非線性

±005 %F·S

工作溫度范圍

-20 ~ ﹢70

滯后誤差

±005 %F·S

允許過負荷

120 %F·S

重復性誤差

±005 %F·S

密封等級

IP67

零點溫度系數

±003 %F·S/10

材質

不銹鋼

輸出溫度系數

±003 %F·S/10

線纜

φ3 × 2000 mm


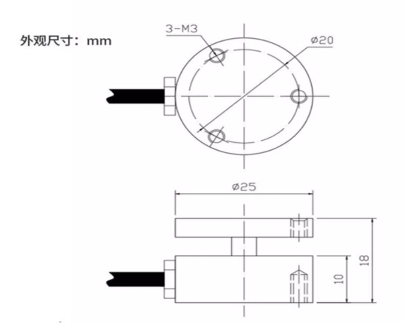
產品尺寸:



返回上一步
打印此頁
173-5529-0970
瀏覽手機站